产品中心
致力于步进电机及驱动控制生产研发
1.概述
BLD510是本公司生产的数字式通用直流无刷驱动器。驱动器内部采用最新速度PID和抗振动算法,具有速度稳定性高、调速比大和低振动等特点。外部接口丰富,可采用脉宽、电压和频率调速, 控制更加方便。
驱动器电压为直流20V-50V,最大连续电流为10A,最高转速为3000RPM。
2.特点
•高性能、低价格
•速度稳定性高
•光电隔离信号输入/输出
•低温升、低振动
•控制方式丰富
3.电气参数

1.电源电机接口

确保电源线接线正确,电源线反接会导致驱动器损伤或烧坏。

根据电机说明书,确保UVW线一一对应,UVW线接错会导致电机无法正常工作,或运行时电流过大。
2.霍尔信号接口

根据电机说明书,确保霍尔线一一对应,霍尔线接错会导致电机无法正常工作,或运行时电流过大。
3.控制信号接口


驱动器可采用多种调速和控制方式,具体电路和接线方式如下:
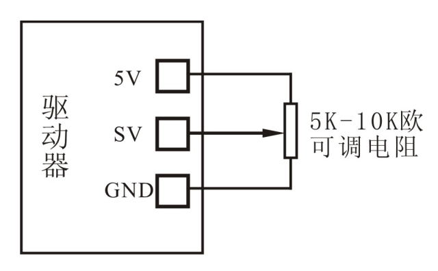
3.1可调电阻调速

可调电阻阻值最好在5K-10K之间。在接可调电阻前,将可调电阻调到中间位置,确认两端和中间抽头顺序后再接线。
可调电阻未调到中间位置或调节电阻过程中,错误的接法会导致5V和GND短路,若驱动器电源绿灯熄灭或闪烁,则马上切断电源,检测接线。
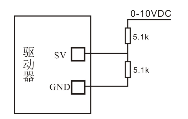
3.2外部0-10V电压调速

外部电压输入时,必须确保在外部最大电压时,SV端电压不超过5V,否则会烧坏驱动器内部电路。如上图用5.1K分压,在外部输入为10V时,SV端电压为5V。
3.3 PWM占空比调速

PWM占空比调速,输入高电平幅值不能超过5V,若采用PLC控制或其他电压控制,请参考3.2中电路接法。
PWM占空比为0到100%,输入频率在1K到20K之间。
3.4 方向控制信号

方向输入采用光耦隔离,输入电压为5V,超过5V必须串联限流电阻R,R阻值参见下表。

3.5 报警输出信号

报警输出采用光耦隔离输出,ALM到控制器端要加上拉电阻,如上图,报警信号为低有效。
3.6 启动停止信号
EN信号为低有效,与GND接通电机开始运转,与GND断开或接5V电压电机停止。
3.7 典型接线图


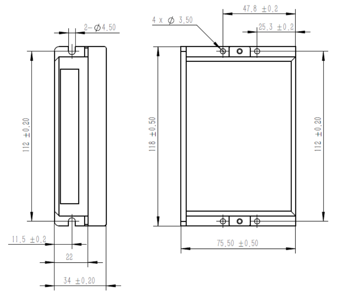
驱动器外形尺寸为:118×75×34mm,具体见外型尺寸图。注意留出大于10CM的空间以利于散热。安装时应使其紧贴在金属机柜上以利于散热。

在线留言
常州创伟电机电器有限公司 网站建设:zzw | 苏ICP备2021012447号-1