cn

产品中心

致力于步进电机及驱动控制生产研发

42BH系列步进电机

创伟经过多年研究和总结工业自动化各个行业领域对运动控制的普遍需求,精心规划了步进电机产品线。创伟混合式步进电机全部采用优质冷轧硅钢片和耐高温永磁体材料制造,采用独创业界领先的磁路设计方案,具有运行转矩大、温升小、可靠性高等特点,且内部阻尼特性良好,无明显振荡区,运行平稳。
  • 详细介绍

产品简介

创伟经过多年研究和总结工业自动化各个行业领域对运动控制的普遍需求,精心规划了步进电机产品线。创伟混合式步进电机全部采用优质冷轧硅钢片和耐高温永磁体材料制造,采用独创业界领先的磁路设计方案,具有运行转矩大、温升小、可靠性高等特点,且内部阻尼特性良好,无明显振荡区,运行平稳。

 

应用领域

目前,创伟步进电机产品已广泛应用于雕刻机、激光机、数控机床、医疗设备、电子加工设备、纺织服装机械等自动化设备上。

 

系列特征

高转矩,低发热,低噪声,运行平稳。
 

命名规则

CW    X1    BH    X2    X3    ﹣    X4    X5    ﹣    X6
CW:常州创伟电机电器有限公司                                    
X1:电机机座号                                    
BH:混合式步进电机                                    
X2:1、如果缺省,表示二相(四相)普通力矩电机,步距角为1.8°
        2、M表示二相(四相)步进电机,步距角0.9°
        3、H表示两相(四相)大力距电机,步距角1.8°
        4、P表示三相步进电机,步距角为1.2°                                    
X3:电机机身长度                                    
X4:电机电流,三位数                                    
X5:电机绕线及接线方式                                    
X6:生产厂家序列号                                    
注:4线电机表示为A,6线电机表示为B,8线电机表示为C,5线电机表示为D,3线电机表示为E。

 

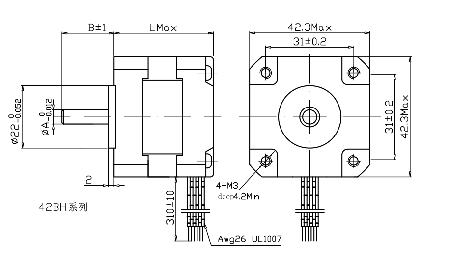
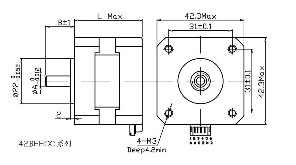
外形图及尺寸说明

 

42BH系列步进电机3

42BH系列步进电机2

 

 

性能参数

42BH系列步进电机4

42BH系列步进电机5

 

相关产品

在线留言

*您的姓名
*您的电话
*您的邮箱
*留言内容
*验证码

联系方式

tel:+86-519-88389757

电话:(直流无刷)18115008766贺经理

(步进电机)13401525021曹经理
邮箱:hechunhua@cwmotor.cn
地址:常州市戚墅堰中吴大道湖港桥西堍

关注我们

常州创伟电机电器有限公司    网站建设:zzw  |  苏ICP备2021012447号-1